優質的服務流程
· quality of service processes ·

需求溝通傾聽客戶需求,了解用戶使用環境和現場工況
方案設計根據現場實際工況,針對性出具解決方案
合同簽訂技術和商務規范確認,簽訂合作協議
產品制作選擇最優質的元器件,嚴格按照技術協議
調試安裝現場規范安裝,靜態動態調試,分析儀運行
售后服務后續維護,持續跟進,終身維修

全國熱線
銷售熱線
公司地址山東濟南市槐蔭區太平河南路1567號均和云谷濟南匯智港6號樓
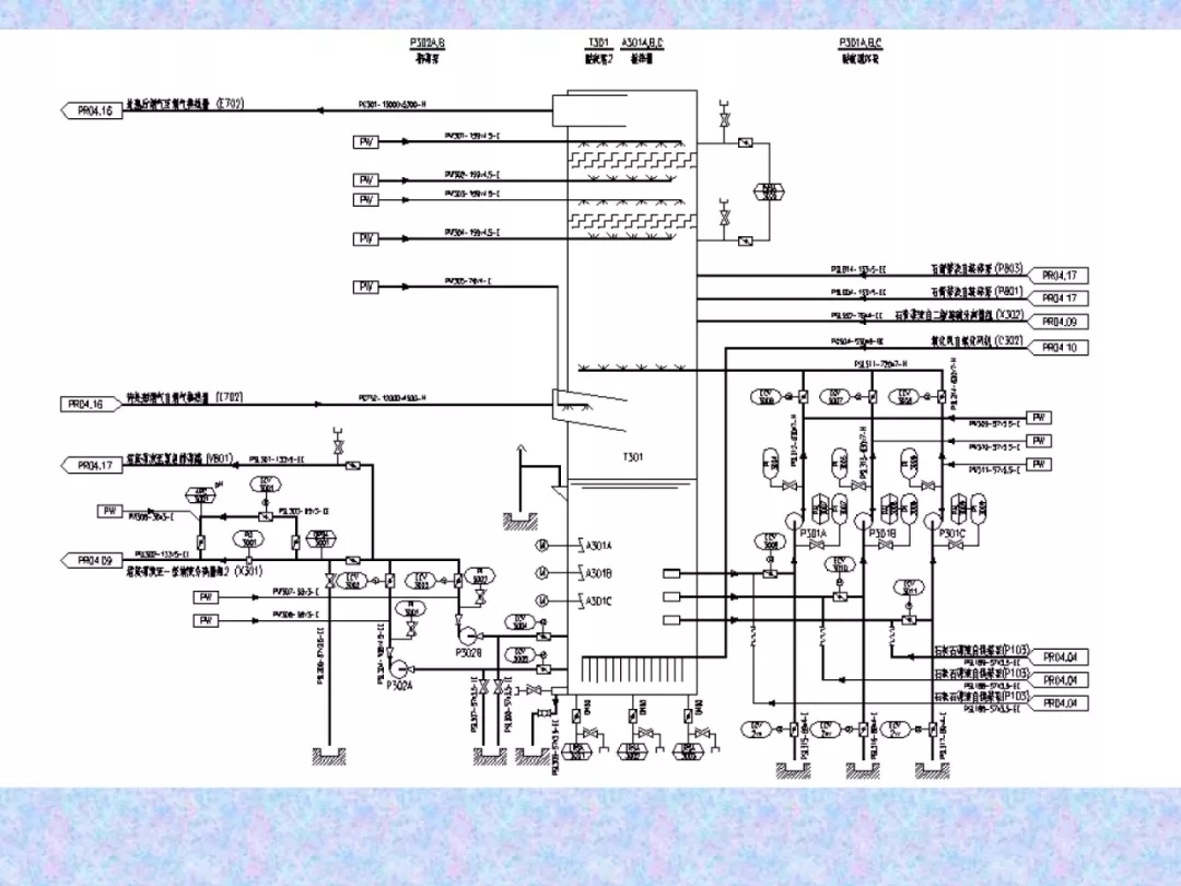
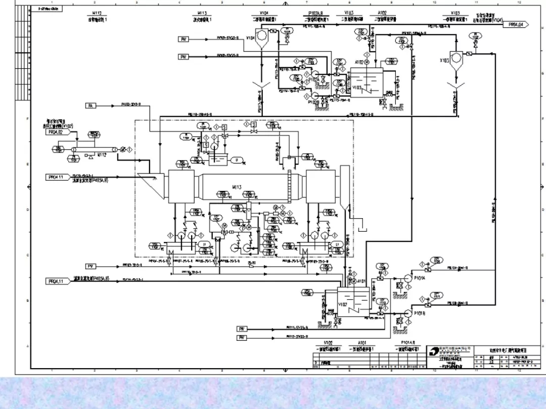
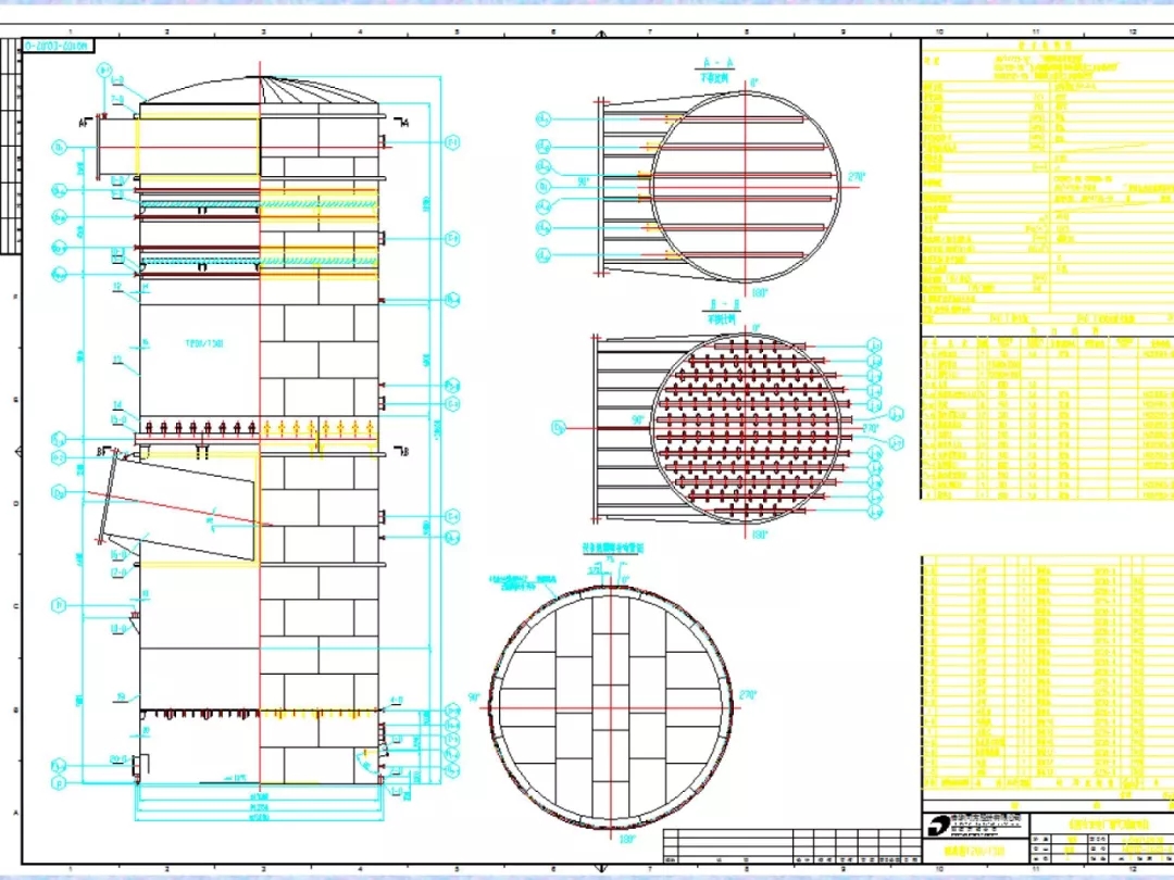
濕式石灰石石膏法煙氣脫硫設計方法及過程
濕法脫硫設計
1、物料平衡計算:建立物料平衡表
煙氣平衡
脫硫劑(脫硫產物)平衡
水平衡


脫硫劑的選取
脫硫劑礦源位
脫硫劑的物理化學特性:真實密度、堆積密度、粒徑分布、空隙率、分形、比表面積、活性、吸硫特性
影響脫硫劑吸硫特性的因素:水份、溫度、濃度、脫硫劑物理特性



?


2、建立工藝流程圖
與物料平衡表同時





3、關鍵控制回路
煙氣量、煙氣中二氧化硫濃度及鈣硫比控制進漿量
pH值調節





4、脫硫反應塔
上升速度
停留時間
液氣比
pH值
循環漿液濃度
脫硫能力
攪拌
防腐蝕
防堵塞






煙氣脫硫過程設計計算



















新澤CEMS在線分析的可靠性,主要決定于測量儀表及樣品處理系統的設計選型及配置,測量儀表及系統部件的選型必須適用、可靠,材質必須滿足防腐蝕要求。例如,與煙氣接觸的管道及部件必須選用耐腐蝕的聚四氟乙烯或316不銹鋼材質,探頭、取樣泵、除濕器等必須耐腐蝕。系統安裝調試中,特別注意確保煙氣采樣、傳輸中要加熱保溫在煙氣露點之上,同時要保證煙氣除濕過程的快速除水,避免被測組分被水分吸收而流失,以確保樣氣的真實性。歡迎咨詢!


需求溝通傾聽客戶需求,了解用戶使用環境和現場工況
方案設計根據現場實際工況,針對性出具解決方案
合同簽訂技術和商務規范確認,簽訂合作協議
產品制作選擇最優質的元器件,嚴格按照技術協議
調試安裝現場規范安裝,靜態動態調試,分析儀運行
售后服務后續維護,持續跟進,終身維修